Miembros VIP
MSA15E
Características ventajosas: el deslizamiento lineal Yintai msa15e pertenece a la serie de productos de brida de alto montaje, con una distancia entre
Detalles del producto
Características de ventaja:El deslizamiento lineal Yintai msa15e pertenece a la serie de productos de brida de alto montaje, con una distancia entre los agujeros de montaje del deslizamiento de 60 y un agujero de montaje del deslizamiento de 38 * 30, adecuado para la industria médica, la industria electrónica, la industria de herramientas neumáticas, la industria de semiconductores, instrumentos de medición de precisión, brazos robóticos, equipos de laboratorio.

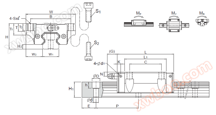
| Modelo | Tamaño exterior (mm) | Tamaño del deslizador (mm) | |||||||||||||||||||||||
| Altura H |
Ancho El W |
Longitud L |
El W2 | H2 | C. B. | C | S×L | L1 | El T | T1 | T2 | N | G | K | D1 | Especificaciones de la boquilla de aceite | |||||||||
| MSA15E | 24 | 47 | 56.3 | 16 | 4.2 | 38 | 30 | M5×7 | 39.3 | 7 | 11 | 7 | 4.3 | 7 | 3.2 | 3.3 | G-M4 | ||||||||
| Modelo | Tamaño del deslizamiento (mm) | Carga nominal básica | Momento muerto permitido | Peso | ||||||||||
| Ancho W1 |
Altura H1 |
Distancia de paso P |
E std. |
D×h×d | Carga dinámica C KN |
Carga estática Co KN |
Mp KN-m |
Mi KN-m |
Sr. KN-m |
Deslizador kilogramos |
Guía kilogramos/m |
|||
| Individual | Doble | Individual | Doble | |||||||||||
| MSA15E | 15 | 15 | 60 | 20 | 7,5 × 5,3 × 4,5 | 11.8 | 18.9 | 0.12 | 0.68 | 0.12 | 0.68 | 0.14 | 0.18 | 1.5 |
Guía lineal impulsa la Guía lineal Yintai msa15eEl rápido desarrollo de la tecnología de automatización
El desarrollo de alta velocidad de la economía china proporciona un mayor espacio de desarrollo para el tornillo de bola y la Guía lineal. con sus características únicas, la Guía lineal se utiliza cada vez más en la industria. Las guías rectangulares se utilizan principalmente en maquinaria y equipos automatizados y son ampliamente utilizadas, especialmente las guías cuadradas también se pueden utilizar en casos de precarga, hasta ahora con rodamientos con elementos de bola esférica. El efecto sigue siendo relativamente significativo, vale la pena mencionar que si no se mejora el tamaño del sobre, se necesita una mayor capacidad de carga que la Guía de bola cuadrada, por lo que el efecto es evidente cuando el cuadrado se utiliza junto con la necesidad del círculo.
Guía de tornillo de bola Yintai deslizamiento lineal msa15eLa función también se puede utilizar para apoyar y guiar los componentes de movimiento, haciendo movimiento lineal recíproco en la dirección dada. Esto tiene una relación indirecta con el coeficiente del tamaño de la fricción, y no se necesita un medio intermedio entre el elemento móvil y el elemento fijo de la Guía lineal, sino una bola de acero rodante. Debido a que la bola de acero rodante se adapta al Movimiento de alta velocidad, el coeficiente de fricción es pequeño y la sensibilidad es alta, cumple con los requisitos de trabajo de los componentes deportivos, lo que promueve en gran medida el rápido desarrollo de la maquinaria automatizada.
En segundo lugar, para mejorar la sensibilidad del sistema, reducir la resistencia al movimiento, reducir la carga de precarga en consecuencia, y para mejorar la retención de la precisión del movimiento, esto sin duda tiene mayores requisitos para el rendimiento automatizado de las guías rectangulares, adecuadas para la industria médica, la industria electrónica, la industria de herramientas neumáticas, la industria de semiconductores, instrumentos de Medición de precisión, brazos robóticos, equipos de laboratorio.
El rendimiento de automatización de la Guía lineal difunde ampliamente la fuerza y amplía el área de resistencia. Para lograrlo, las formas de ranura del sistema de guía tienen una variedad de formas, que a menudo llamamos redondas y cuadradas, combinadas con dos tipos, tienen una excelente demanda de desarrollo de rendimiento de la maquinaria automatizada.
El deslizamiento lineal Yintai msa15e pertenece a la serie de productos de brida de alto montaje, con una distancia entre los agujeros de montaje del deslizamiento de 60 y un agujero de montaje del deslizamiento de 38 * 30, adecuado para la industria médica, la industria electrónica, la industria de herramientas neumáticas, la industria de semiconductores, instrumentos de medición de precisión, brazos robóticos, equipos de laboratorio.
El deslizamiento lineal Yintai msa15e pertenece a la serie de productos de brida de alto montaje, con una distancia entre los agujeros de montaje del deslizamiento de 60 y un agujero de montaje del deslizamiento de 38 * 30, adecuado para la industria médica, la industria electrónica, la industria de herramientas neumáticas, la industria de semiconductores, instrumentos de medición de precisión, brazos robóticos, equipos de laboratorio.
Consulta en línea
